High-Speed USB 2.0 (480 Mbps) 1-Port Switch with Full Power Down Feature, PI3USB32 Replace FSUSB31.
PI3USB32
PI3USB32.pdf
FEATURES
? VDD Operation at 2.8V and 4.3V
? 1.8V Compatible Control-Pin Inputs
? IOFF Supports Full Power-Down Mode Operation
? ron = 6Ω Typical
? Dron <0.35Ω Typical
? Cio(ON) = 5pF Typical
? Low Power Consumption
? ESD Performance
7kV Human-Body Model, per JESD22 spec (A114-B, Class II)
1000-V Charged-Device Model (C101)
?±4kV contact, per IEC61000-4-2
? Wide –3-dB Bandwidth = 2110 MHz Typical
? Totally Lead-Free & Fully RoHS Compliant (Notes 1 & 2)
? Halogen and Antimony Free. “Green” Device (Note 3)
? For automotive applications requiring specific change control
? Packaged in 8-Lead TLLGA (1.5 mm x 1.5 mm)
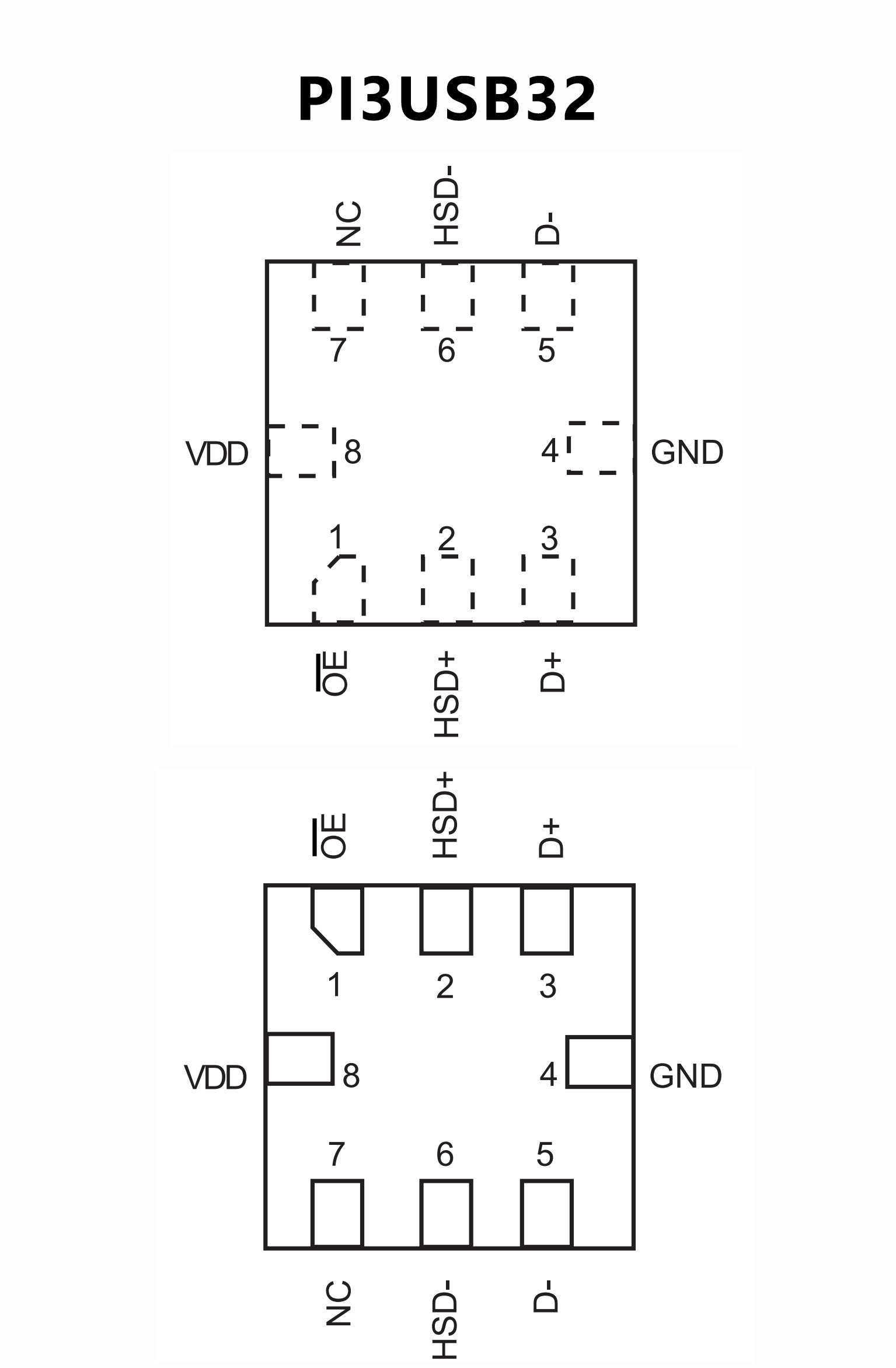
PIN CONFIGUTION
优势替代
FEATURES
? Low On Capacitance: 3.7pF (Typical)
? Low On Resistance: 6.5Ω (Typical)
? Low Power Consumption: 1?A (Maximum)
10?A Maximum ICCT Over an Expanded Control
Voltage Range: VIN = 2.6V, VCC = 4.3V
? Wide -3dB Bandwidth: > 720MHz
? 8kV I/O to GND ESD Protection
? Power-off Protection When VCC = 0V, D+/D- Pins Can
Tolerate up to 5.5V
? Packaged in:
8-lead MicroPak? (1.6 x 1.6mm)
8-lead US8
8-lead Ultrathin MLP (1.2 x 1.4mm)
PIN CONFIGUTION









