1.7V-6V Vin, 500mA, 8uA IQ, Low-Dropout Regulator, SCT71005 Replace MP20056.
SCT71005
SCT71005.pdf
FEATURES
? Wide Input Range: 1.7V-6V (2.2V-6V for SCT71005A01)
? Maximum Output Current: 500mA
? Output Voltage:
- 1.2V,1.8V and 3.3V (Fixed Output)
- 0.7V~5V (Adjustable Output Version SCT71005A01)
- 0.5V~5V (Adjustable Output Version SCT71005A02)
? Output Voltage Accuracy:
- TJ = 25℃ : ±1%
- TJ = -40℃~ 125℃ : ±2%
? Low Quiescent Current: 8uA
? Ultra-Low Shutdown Current: 0.02uA
? Low Dropout Voltage(Adjustable Output Version) :
- 54mV at 200mA load current
- 143mV at 500mA load current
? Support Output Capacitors Range:
- 2.2uF~220uF
- Low-ESR: 0.001Ω~ 5 Ω
? 1.4ms Internal Soft-start Time(VREF =500mV)
? 2.05ms Internal Soft-start Time(VREF =700mV)
? Integrated Short-Circuit Protection with OCFB
(Over Current Fold-back) Feature
? Enable pin is available
? Over-Temperature Protection
? Power-Good Feature is available
? Active Output Discharge
? Available Package:
SOT23-5/ TDFN2x2-6/ TDFN2x3-8/ DFN1x1-4
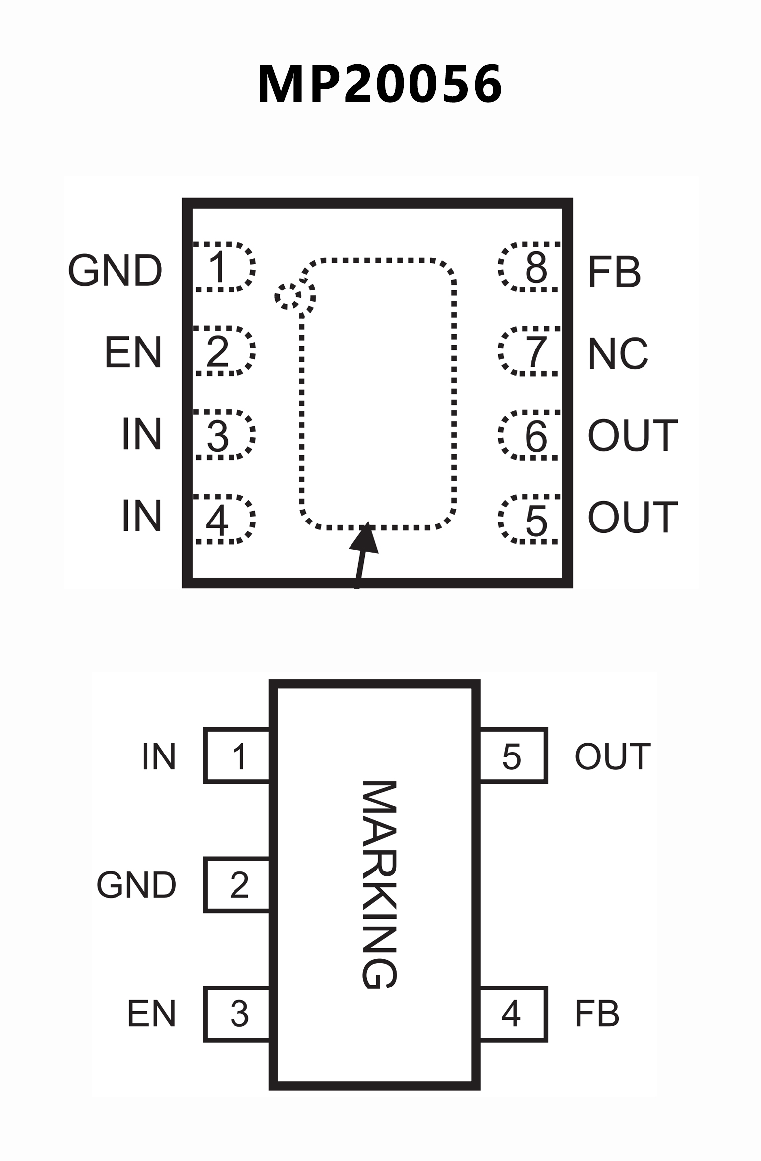
PIN CONFIGUTION
优势替代
FEATURES
? Up to 250mA Output Current
? Low 100mV Dropout at 250mA
? Low 150μA Ground Current
? Low Noise: 13μVRMS typical (10Hz to 100kHz)
? 63dB PSRR @1kHz
? Stable with Ceramic Capacitor
? Excellent Load/Line Transient Response
? Current Limiting and Thermal Protection
? Fixed output voltage 1.8V and 3.3V.
? Adjustable Output Voltage from 0.8V to 5V
Using an External Resistor Divider
PIN CONFIGUTION









