2A, 2MHz, 55V Step-Down Converter, SGM6060 Replace MP4560.
SGM6060
SGM6060.pdf
FEATURES
? 3.8V to 55V Wide Input Voltage Range
? Adjustable Output Voltage
? Up to 95% Efficiency
? PFM Mode at Light Loads
? Quiescent Current: 126μA (TYP)
? Less than 18μA Shutdown Current
? Internal HS Power MOSFET RDSON: 220mΩ (TYP)
? Adjustable Switching Frequency: 200kHz to 2MHz
? Internal Soft-Start Circuit
? Accurate EN Input Threshold
? Stable with Ceramic Capacitor
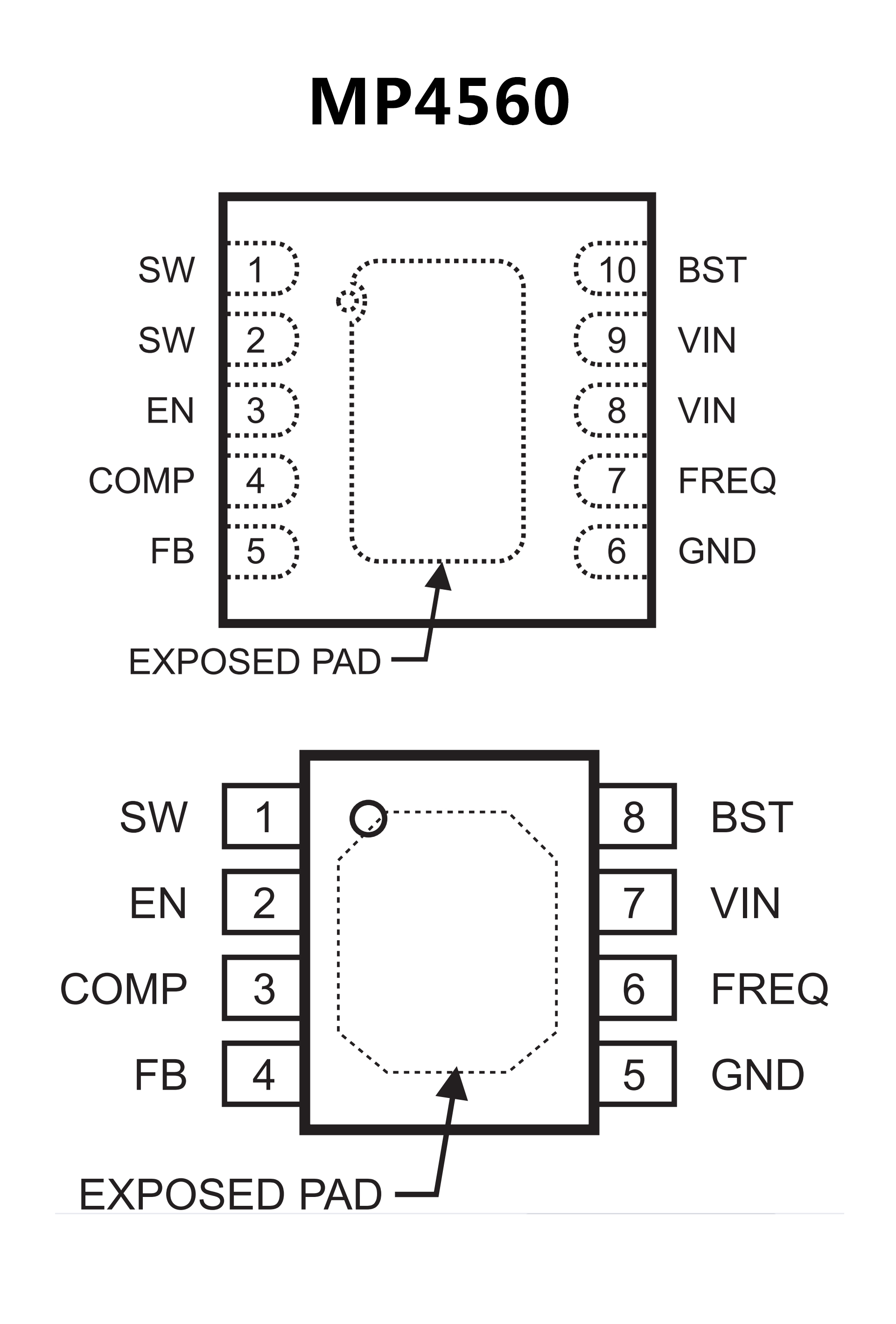
? Available in Green TDFN-3×3-10L and SOIC-8
(Exposed Pad) Packages
PIN CONFIGUTION
优势替代
FEATURES
? Wide 3.8V to 55V Operating Input Range
? 250m? Internal Power MOSFET
? Up to 2MHz Programmable Switching Frequency
? 140μA Quiescent Current
? Ceramic Capacitor Stable
? Internal Soft-Start
? Up to 95% Efficiency
? Output Adjustable from 0.8V to 52V
? Available in 3x3 10-Pin QFN and SOIC8
with Exposed Pad Packages
PIN CONFIGUTION









