High Speed Operational Amplifier, SGM80581 Replace ADA4891-1.
SGM80581
SGM80581.pdf
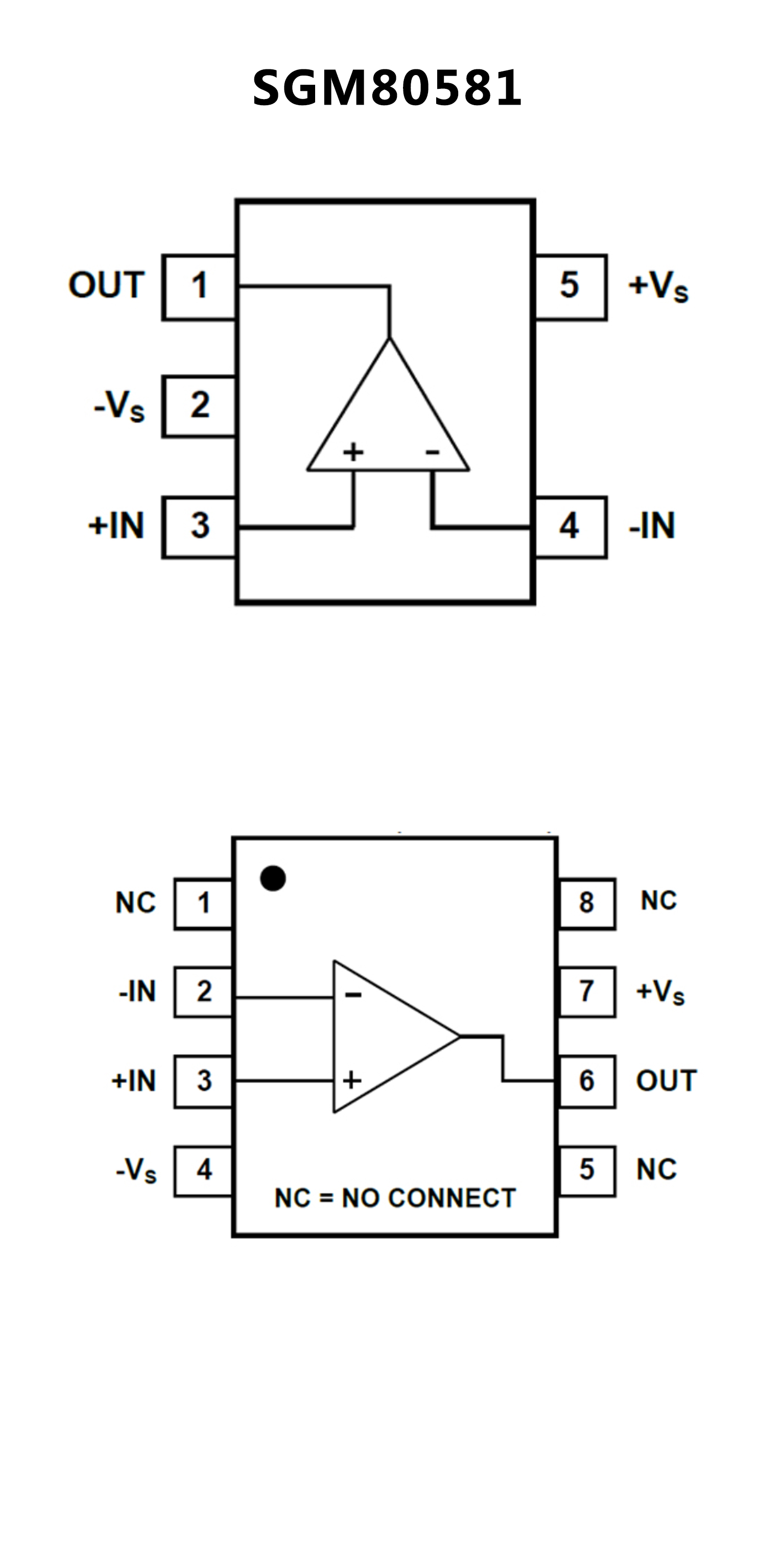
FEATURES
? Unity-Gain Bandwidth: 220MHz
? Wide Bandwidth: 100MHz GBP
? High Slew Rate: 160V/μs
? Low Noise: 7nV/ Hz at 1MHz
? Rail-to-Rail Input and Output
? High Output Current: 150mA (TYP)
? Excellent Video Performance:
- Diff Gain: 0.01%, Diff Phase: 0.1°
- 0.1dB Gain Flatness: 30MHz
? Low Input Bias Current: 2pA
? Quiescent Current: 4.5mA/Amplifier (TYP)
? 2.5V to 5.5V Single Supplies or ±1.25V to ±2.75V
Dual Power Supplies
? Small Packaging:
SGM80581 Available in Green SOT-23-5 and
SOIC-8 Packages
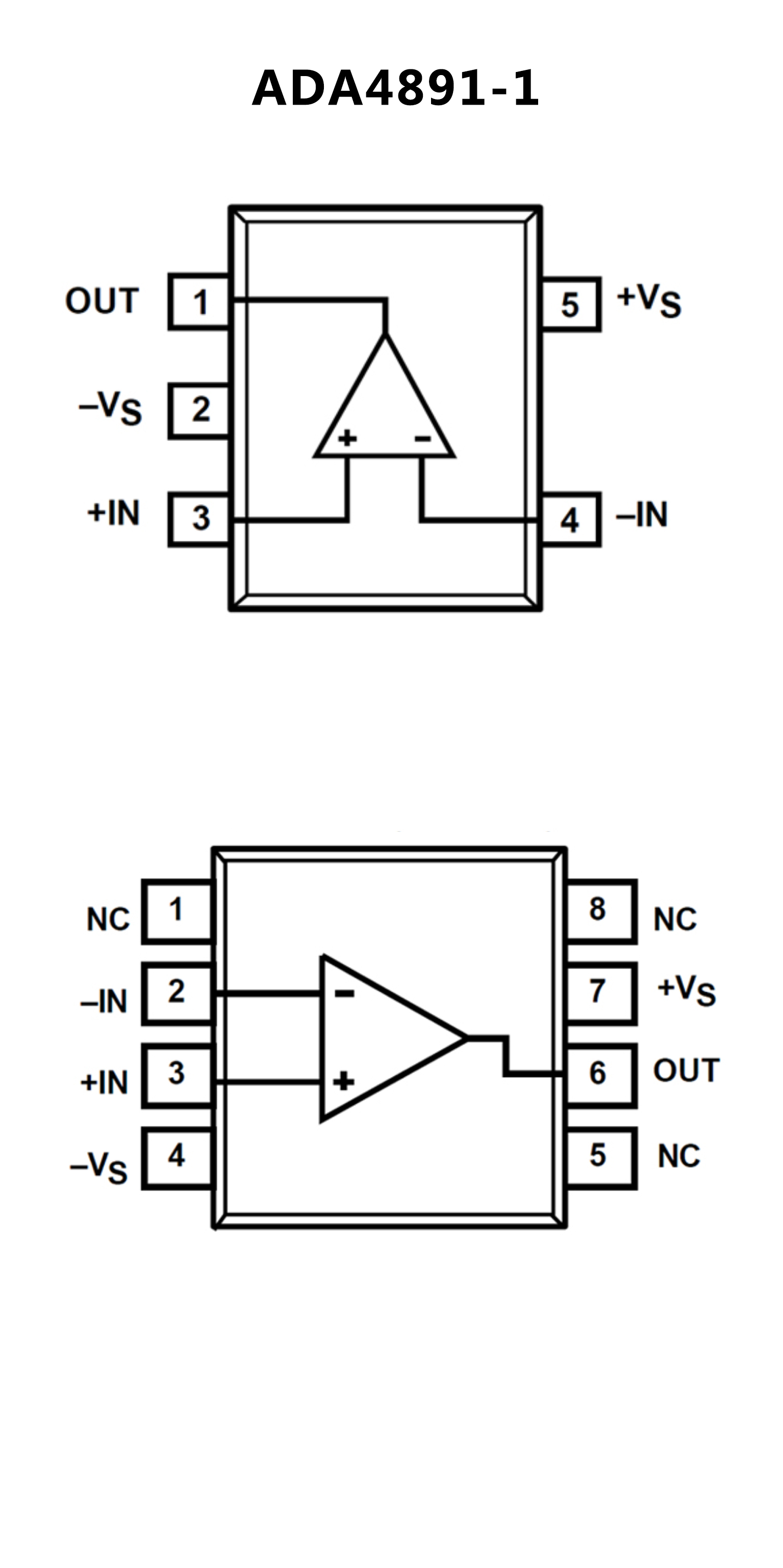
PIN CONFIGUTION
优势替代
FEATURES
? Qualified for automotive applications
? High speed and fast settling
?3 dB bandwidth: 220 MHz (G = +1)
? Slew rate: 170 V/μs
? Settling time to 0.1%: 28 ns
? Video specifications (G = +2, RL = 150 Ω)
? 0.1 dB gain flatness: 25 MHz
? Differential gain error: 0.05%
? Differential phase error: 0.25°
? Single-supply operation
? Wide supply range: 2.7 V to 5.5 V
? Output swings to within 50 mV of supply rails
? Low distortion: 79 dBc SFDR at 1 MHz
? Linear output current: 125 mA at ?40 dBc
? Low power: 4.4 mA per amplifier
PIN CONFIGUTION









