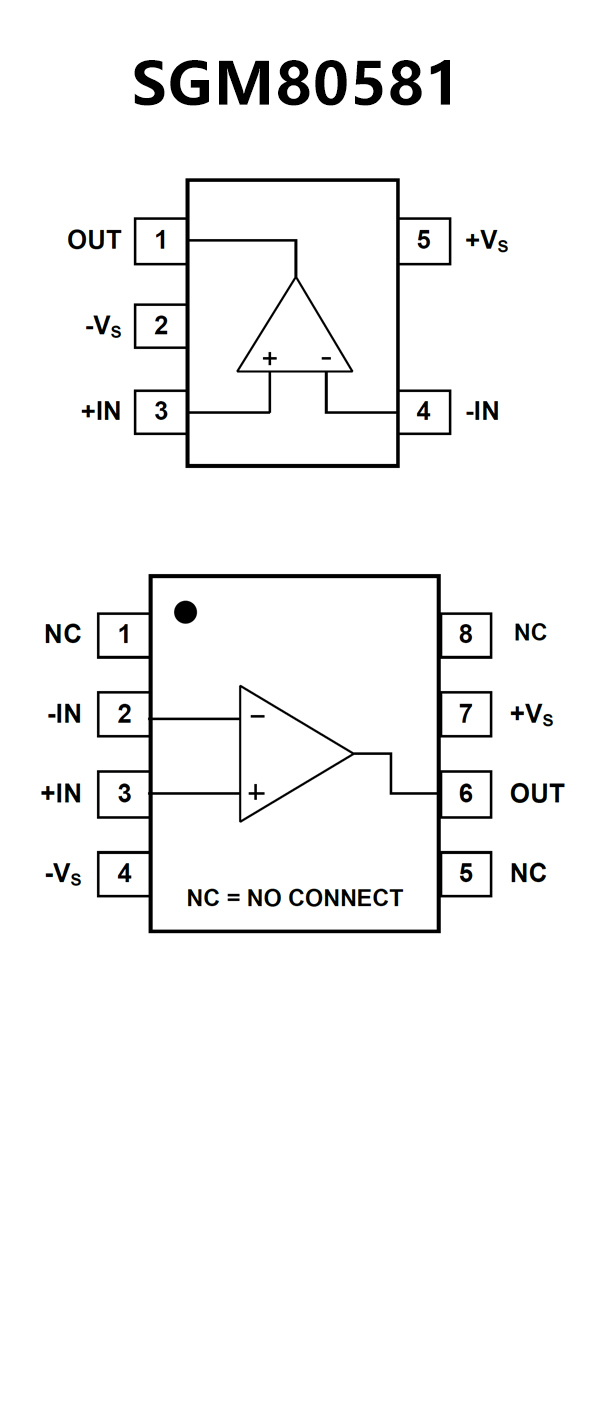
High Speed Operational Amplifier, SGM80581 Replace OPA333.
SGM80581
SGM80581.pdf
FEATURES
? Unity-Gain Bandwidth: 220MHz
? Wide Bandwidth: 100MHz GBP
? High Slew Rate: 160V/μs
? Low Noise: 7nV/ Hz at 1MHz
? Rail-to-Rail Input and Output
? High Output Current: 150mA (TYP)
? Excellent Video Performance:
- Diff Gain: 0.01%, Diff Phase: 0.1°
- 0.1dB Gain Flatness: 30MHz
? Low Input Bias Current: 2pA
? Quiescent Current: 4.5mA/Amplifier (TYP)
? 2.5V to 5.5V Single Supplies or ±1.25V to ±2.75V
Dual Power Supplies
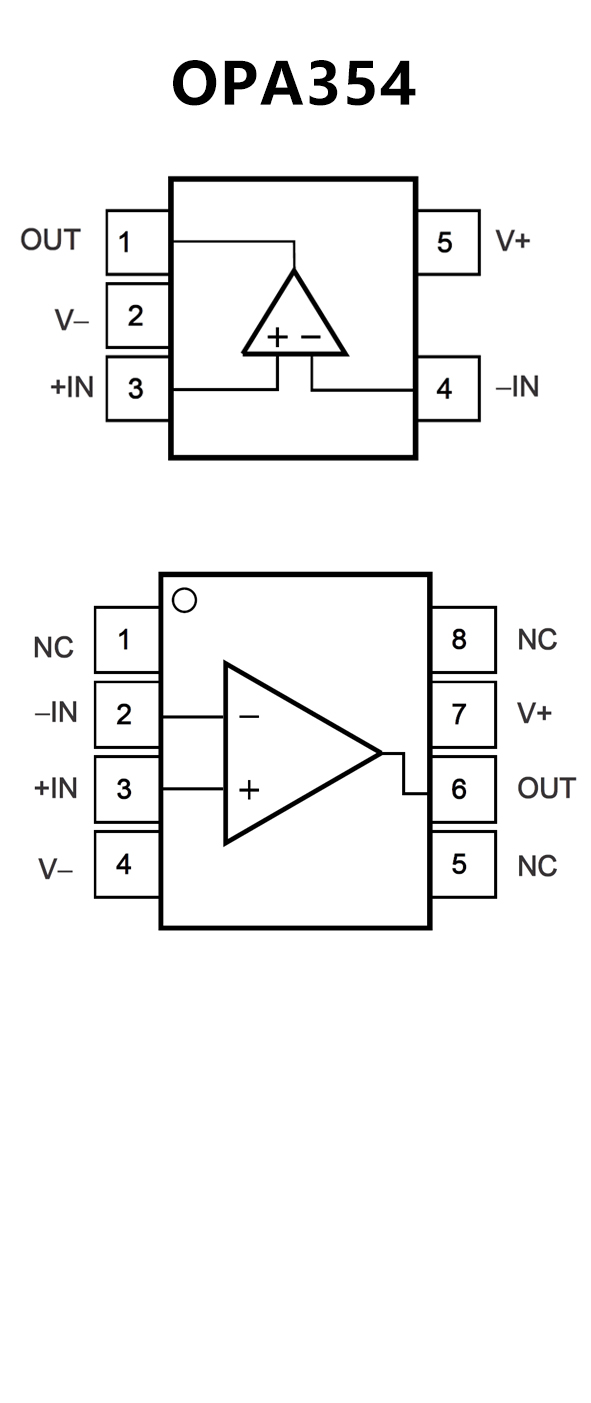
PIN CONFIGUTION
优势替代
FEATURES
? Unity-Gain Bandwidth: 250 MHz
? Wide Bandwidth: 100-MHz GBW
? High Slew Rate: 150 V/μs
? Low Noise: 6.5 nV√Hz
? Rail-to-Rail I/O
? High Output Current: > 100 mA
? Excellent Video Performance:
– Differential Gain: 0.02%, Differential Phase: 0.09°
– 0.1-dB Gain Flatness: 40 MHz
? Low Input Bias Current: 3 pA
? Quiescent Current: 4.9 mA
? Thermal Shutdown
? Supply Range: 2.5 V to 5.5 V
PIN CONFIGUTION









