? Rail-to-Rail Output 2mV Typical VOS
? High Speed
350MHz, -3dB Bandwidth (G = +1)
265V/μs, Slew Rate
32ns Settling Time to 0.1% with 2V Step
? Operates on 2.5V to 5.5V Supplies
? Input Voltage Range = -0.2V to +3.8V with VS = 5V
? Excellent Video Specs (RL = 150Ω, G = +2)
Gain Flatness 0.1dB to 70MHz
Diff Gain: 0.004%, Diff Phase: 0.08 degree
? Low Power 4.3mA/Amplifier Typical Supply Current
? Small Packaging
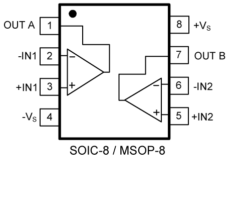
SGM8092 Available in SOIC-8 and MSOP-8
? UNITY-GAIN BANDWIDTH: 450MHz
? WIDE BANDWIDTH: 200MHz GBW
? HIGH SLEW RATE: 360V/μs
? LOW NOISE: 5.8nV/√Hz
? EXCELLENT VIDEO PERFORMANCE:
DIFF GAIN: 0.02%, DIFF PHASE: 0.05°
0.1dB GAIN FLATNESS: 75MHz
? INPUT RANGE INCLUDES GROUND
? RAIL-TO-RAIL OUTPUT (within 100mV)
? LOW INPUT BIAS CURRENT: 3pA
? LOW SHUTDOWN CURRENT: 3.4μA
? ENABLE/DISABLE TIME: 100ns/30ns
? SINGLE-SUPPLY OPERATING RANGE: 2.5V to 5.5V









