? Low Offset Voltage: 10μV (MAX)
? Rail-to-Rail Output Swing
? Support Single or Dual Power Supplies:
4.5V to 36V or ±2.25V to ±18V
? Open-Loop Voltage Gain: 150dB (TYP)
? PSRR: 150dB (TYP)
? CMRR: 140dB (TYP)
? Input Voltage Noise Density: 10nV/Hz at 1kHz
? Gain-Bandwidth Product: 8MHz
? Low Supply Current: 0.85mA/Amplifier (TYP)
? Overload Recovery Time: 0.7μs
? -40℃ to +125℃ Operating Temperature Range
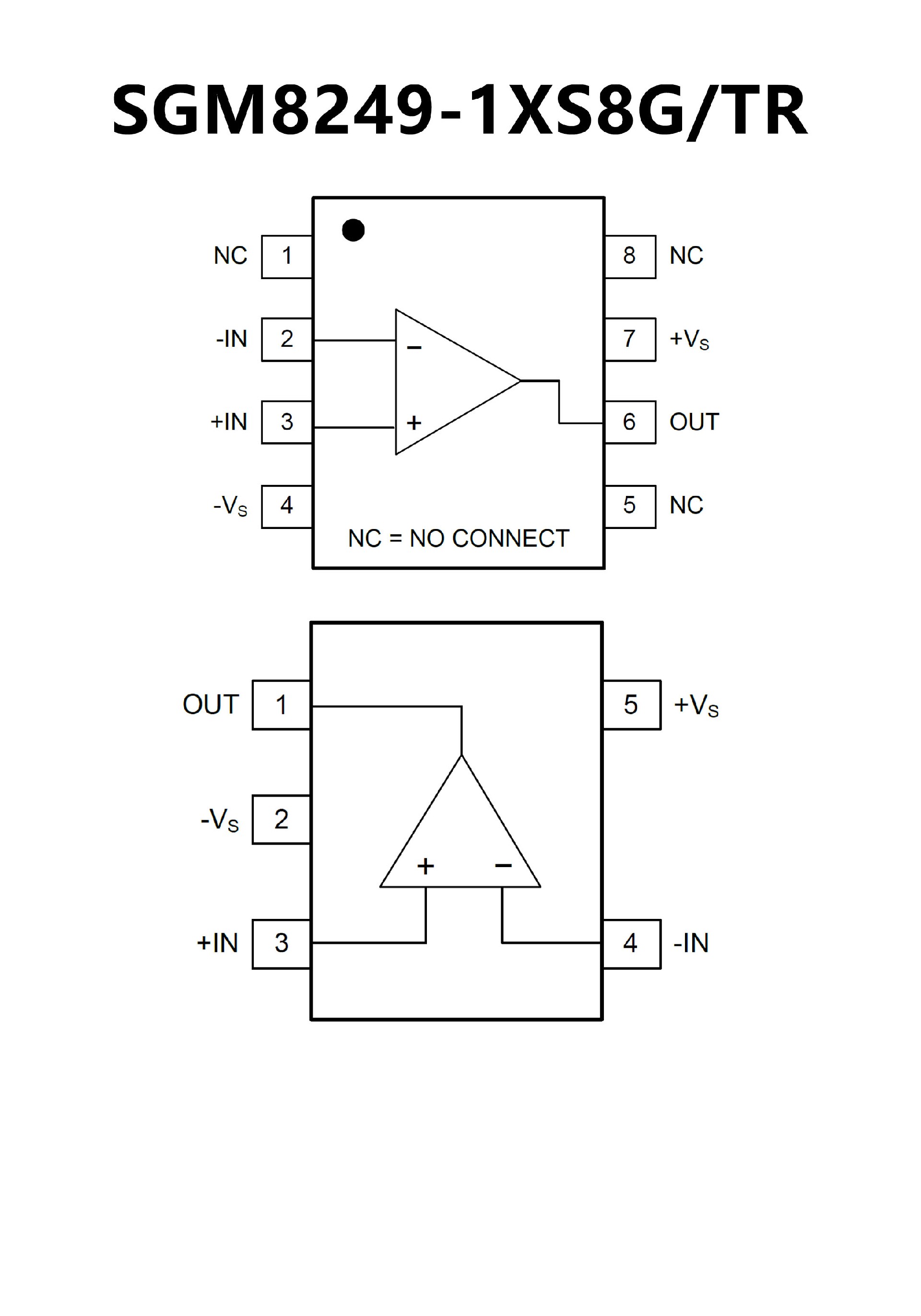
? Small Packaging:
SGM8249-1 Available in Green
SOT-23-5 andSOIC-8 Packages
SGM8249-2 Available in a Green SOIC-8 Package
? Low Offset Voltage: 25 μV (max)
? Zero-Drift: 0.03 μV/°C
? Low Noise: 8.8 nV/√Hz
0.1-Hz to 10-Hz Noise: 0.25 μVPP
? Excellent DC Precision:
PSRR: 142 dB
CMRR: 146 dB
Open-Loop Gain: 136 dB
? Gain Bandwidth: 2 MHz
? Quiescent Current: 475 μA (max)
? Wide Supply Range: ±2 V to ±18 V
? Rail-to-Rail Output:
Input Includes Negative Rail









