? Ultra Low Offset Voltage: 8.5μV (MAX)
? Ultra Low Input Offset Voltage Drift: 10nV/℃
? Low Noise: 4.5nV/Hz at 1kHz
? Low Distortion: 0.0001% at 1kHz
? High Slew Rate: 10V/μs
? Gain-Bandwidth Product: 10MHz (G = +1)
? High Open-Loop Gain: 145dB
? Unity-Gain Stable
? Low Quiescent Current: 2.5mA/Amplifier
? Rail-to-Rail Output
? Support Single or Dual Power Supplies:
4V to 36V or ±2V to ±18V
? -40℃ to +85℃ Operating Temperature Range
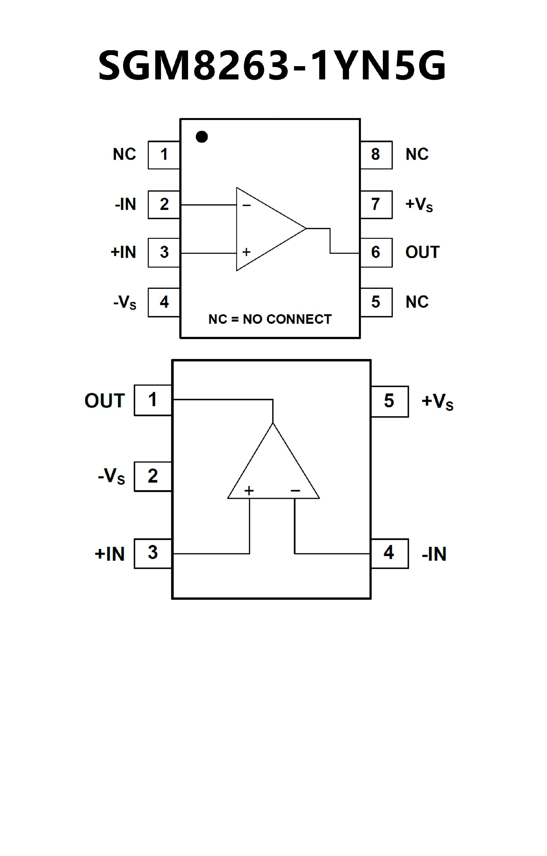
? Small Packaging:
SGM8263-1 Available in Green
SOT-23-5 andSOIC-8 Packages
SGM8263-2 Available in a Green SOIC-8 Package
? 低失调电压:±100μV(最大值)
? 低失调电压温漂:±2.5μV/°C(最大值)
? 低噪声:1kHz 时为5.5nV/√Hz
? 高共模抑制:120dB(最小值)
? 低偏置电流:±5pA(典型值)
? 轨到轨输入和输出
? 高带宽:10MHz GBW
? 高压摆率:20V/μs
? 低静态电流:每个放大器1mA(典型值)
? 宽电源电压范围:±2.25V 至±18V,+4.5V 至+36V
? 已过滤电磁干扰(EMI) 和射频干扰(RFI) 的输入
? 电源轨的差分输入电压范围
? 高容性负载驱动能力:1nF
? 行业标准封装:
SOIC-8、SOT-5 和VSSOP-8 单体封装
SOIC-8 和VSSOP-8 双列封装
四通道电源版本采用SOIC-14 和TSSOP-14 封装









