Low Noise Operational Amplifier, Replace TLV4376
SGM8634
SGM8634.pdf
FEATURES
? Low Cost
? Rail-to-Rail Input and Output
0.8mV Typical VOS
? Unity Gain Stable
? Gain-Bandwidth Product: 1.1MHz
? Very Low Input Bias Current: 0.5pA
? Supply Voltage Range: 2.1V to 5.5V
?Input Voltage Range:
-0.1V to +5.6V with VS = 5.5V
? Low Supply Current: 46μA/Amplifier
? Small Packaging
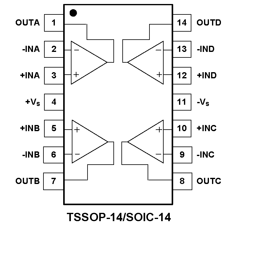
SGM8934 Available in TSSOP-14 and SOIC-14
PIN CONFIGUTION
优势替代
FEATURES
? Low Noise: 8 nV/√Hz at 1 kHz
? 0.1-Hz to 10-Hz Noise: 1.6 μVPP
? Quiescent Current: 815 μA (typical)
? Low Offset Voltage (typical):
– Single and Dual Versions: 40 μV
– Quad Version: 50 μV
? Gain Bandwidth Product: 5.5 MHz
? Rail-to-Rail Input and Output
? Single-Supply Operation
? Supply Voltage: 2.2 V to 5.5 V
? Industry-Standard Packages:
– SOT-23, SOIC, VSSOP, TSSOP
PIN CONFIGUTION









