No.10597
? Wide Input Voltage from 2.8V to 5.5V
? Adjustable Output from 0.6V to VIN
? 1A Output Current
? 95% Efficiency
? No Schottky Diode Required
? 1.5MHz Fixed Frequency PWM Operation
? Small TSOT-23-5 Package
? RoHS Compliant and Halogen Free
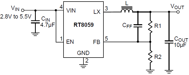
The RT8059 is a high efficiency Pulse Width Modulated (PWM) step-down DC/DC converter, capable of delivering 1A output current over a wide input voltage range from 2.8V to 5.5V. The RT8059 is ideally suited for portable electronic devices that are powered by 1-cell Li-ion battery or by other power sources within the range, such as cellular phones, PDAs and handy-terminals.The RT8059 enters low dropout mode when normal PWM cannot provide regulated output voltage by continuously turning on the upper P-MOSFET. The RT8059 enters shutdown mode and consumes less than 0.1μA when the EN pin is pulled low.
The switching ripple can be easily smoothed out by small package filtering elements due to a fixed operation frequency of 1.5MHz. This along with small TSOT-23-5 package provides small PCB area application. Other features include soft-start, lower internal reference voltage with 2% accuracy, over temperature protection, and over current protection.









