4.5V-100V Vin, 0.6A, High Efficiency Synchronous Step-down DCDC Converter with Programmable Frequency.
SCT2A10 SCT2A10.pdf

No.12978

FEATURES

? Wide Input Range: 4.5V-100V

? 0.6A Continuous Output Current

? 0.8V ±1% Feedback Reference Voltage

? Integrated 770mΩ High-Side and 460mΩ Low-

  Side Power MOSFETs

? Pulse Frequency Modulation (PFM) with 100uA

  Quiescent Current in Sleep Mode

? 4ms Internal Soft-start Time

? Adjustable Frequency 300KHz to 800KHz

? Precision Enable Threshold for Programmable

  Input Voltage Under-voltage Lock Out Protection

  (UVLO) Threshold and Hysteresis

? Cycle-by-Cycle Current Limiting

? Over-Voltage Protection

? Over-Temperature Protection

? Available in an ESOP-8 Package

DESCRIPTION

The SCT2A10 is 0.6A synchronous buck converters with wide input voltage, ranging from 4.5V to 100V, which integrates an 770mΩ high-side MOSFET and a 460mΩ low-side MOSFET. The SCT2A10, adopting the constant-on time (COT) mode control, supports the PFM with typical 100uA low quiescent current which assists the converter on achieving high efficiency at light load or standby condition.

The SCT2A10 features programmable switching frequency from 300 kHz to 800kHz, which provides the flexibility to optimize either efficiency or external component size.

The SCT2A10 offers cycle-by-cycle current limit and hiccup over current protection, thermal shutdown protection, output over-voltage protection and input voltage under-voltage protection. The device is available in an 8-pin thermally enhanced SOP-8 package.

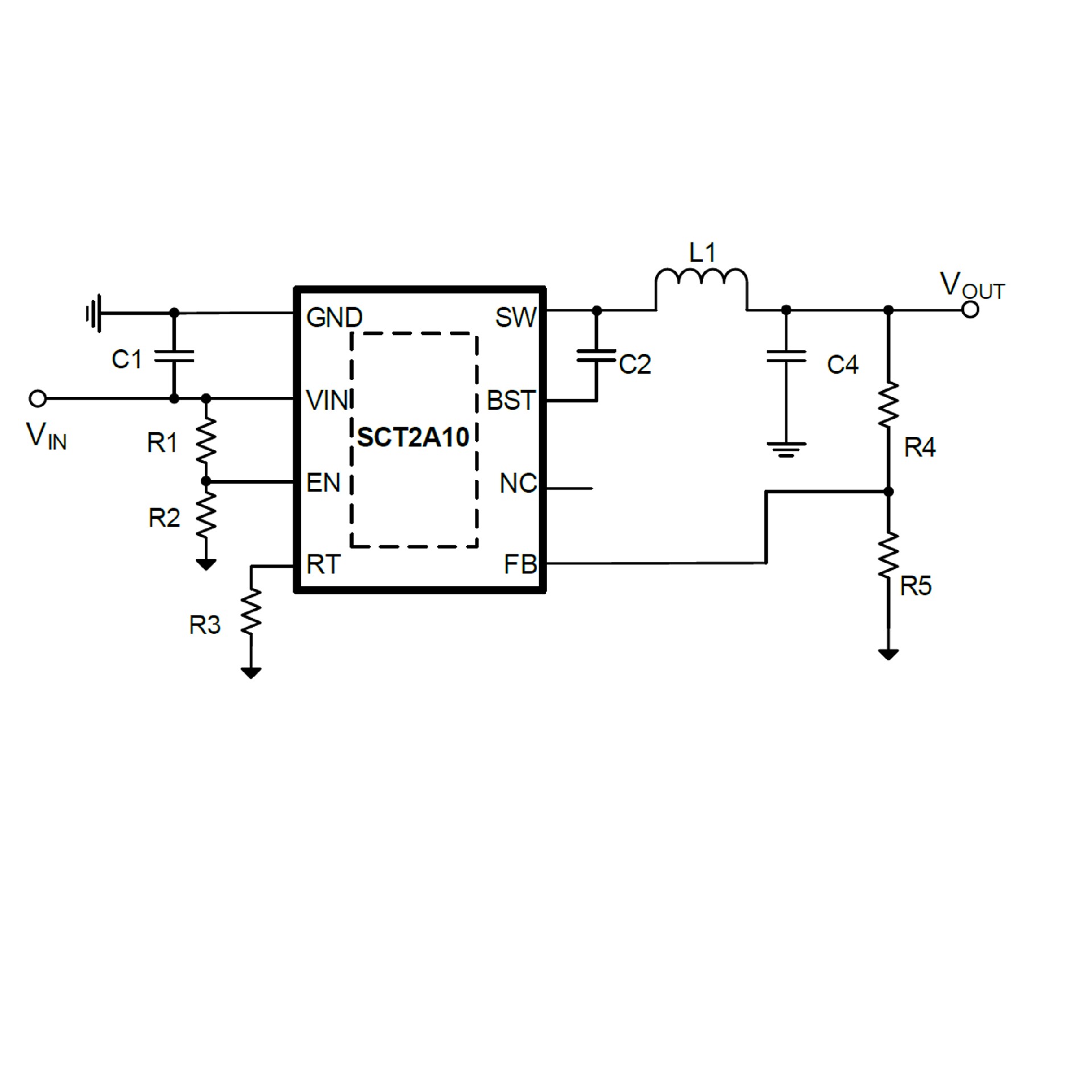
APPLICATION CIRCUIT
PIN CONFIGUTION
网站地图