No.13170
? VIN Operating Range : 3V to 30V
? Low 200mV Feedback Voltage
? Cycle by Cycle Current Limit: 2A
? 20KHz to 1MHz Wide PWM Dimming
? Internal Soft Start
? Over Voltage Protection
? Over Temperature Protection
? Small SOT23-6 Packages
? RoHS Compliant and Halogen Free
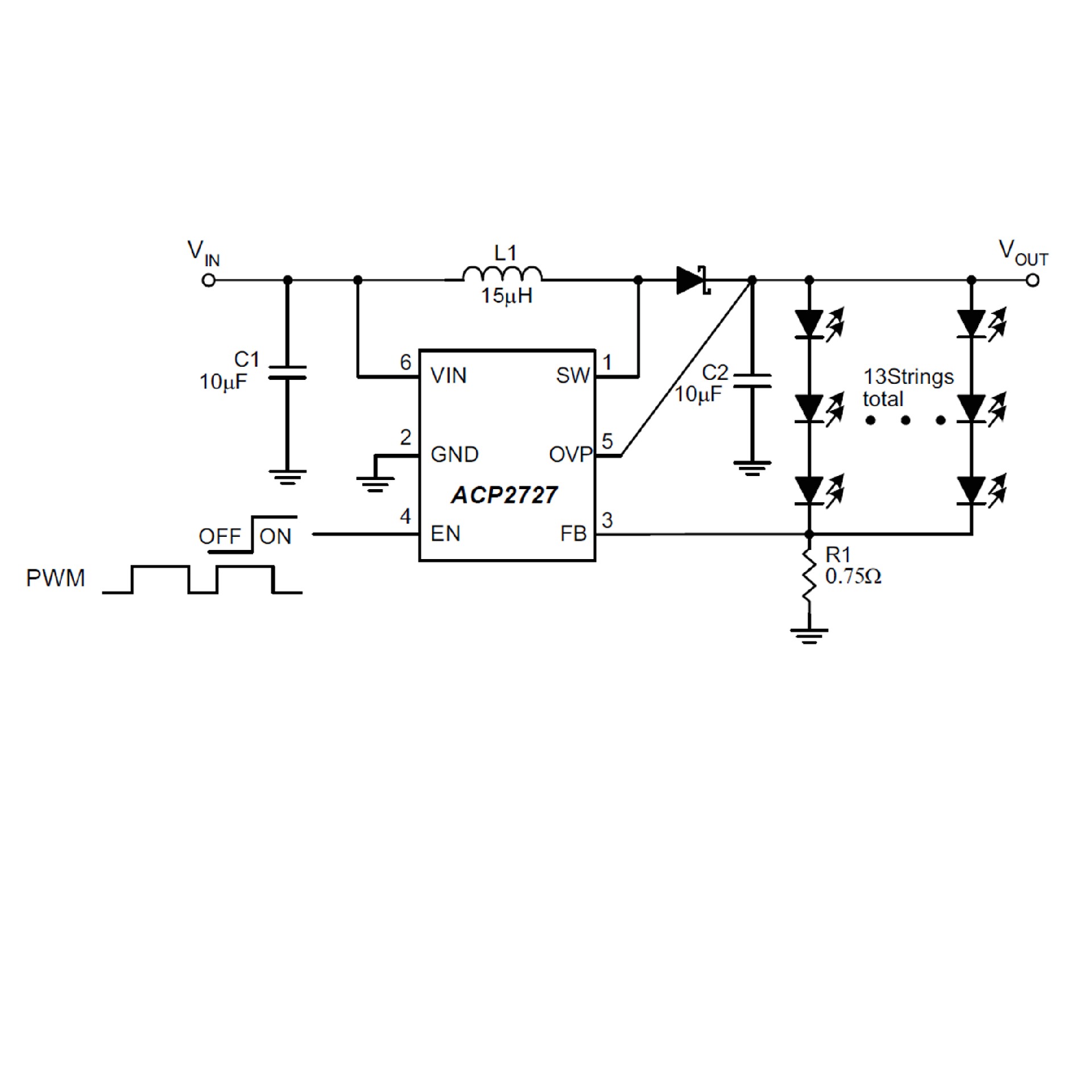
The ACP2727 is an inductor-based DC/DC boost
converter designed to drive LED arrays. 2A switching
current allows ACP2727 to be used in different 7' to 10'
LCD panel backlights (3*13 LED arrays typically).
A constant frequency 1MHz PWM control scheme is
employed in this IC, which means tiny external components
can be used. Specifically, 1mm tall 15μH
inductor and 10μF output capacitor for the typical
application is sufficient.
The over output voltage protection is equipped in
ACP2727, which protects the IC under open load condition.
The ACP2727 includes soft-start, current limit and
OTSD to protect the circuit.
The ACP2727 is available in standard SOT-23-6.









