LED Backlight Controller.
EUP2950 EUP2950.pdf

No.13130

FEATURES

9V to 30V Input Voltage Range

Current Mode PWM controller with good dynamic

Internal Soft-Start

External PWM Dimming Control

Over Voltage Protection

Over Current Protection

Under Voltage Lockout

Thermal Shutdown Protection

LED cathode short to GND Protection

 LED Open Protection

SOP-8 Package

RoHS Compliant and 100% Lead (Pb)-Free

DESCRIPTION

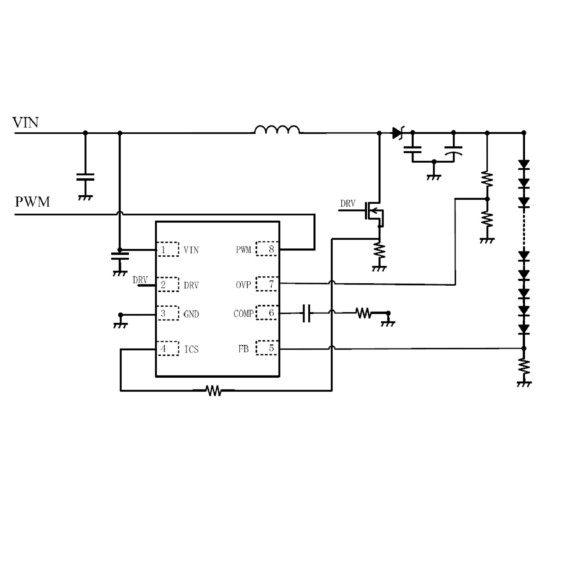
The EUP2950A is a high performance controller for LED Backlight. The internal soft start function can reduce the inrush current. The device uses current mode, fixed frequency architecture to regulate the LED current, which is measured through an external current sense resistor. Its low 300mV feedback voltage reduces power loss and improves efficiency.

The EUP2950A offers external low frequency PWM dimming method for a wide range of dimming control.

The EUP2950A integrated multiple protections, such as over current protection (OCP), over voltage protection (OVP), Diode & Inductor short protection, LED cathode short to GND protection, Under Voltage Lockout (UVLO), Thermal Shutdown Protection (OTP), and LED open protection.

The EUP2950A is available in SOP-8 package to provide the best solution for PCB space saving and total BOM cost.

APPLICATION CIRCUIT
PIN CONFIGUTION
网站地图