SINGLE BIT DUAL POWER SUPPLY TRANSLATING TRANSCEIVER WITH 3 STATE OUTPUTS.
74LVC1T45DW-7 74LVC1T45DW-7.pdf

No.14042

FEATURES

Wide Supply Voltage Range: 

    VCC(A): from 1.65V to 5.5V

    VCC(B): from 1.65V to 5.5V

? ± 24mA Output Drive at 3.3V

? CMOS Low Power Consumption 16?A Maximum ICC

? High Noise Immunity?(100mV Hysteresis Typical)

? IOFF Supports Partial-Power-Down Mode Operation

? IOFF Controlled by Either VCC Being at 0 V

? Inputs Accept up to 5.5V

? ESD Protection Exceeds JESD 22

   200-V Machine Model (A115)

   2000-V Human Body Model (A114)

   1000 V Charged Device Model ( C101) 

? Latch-up Exceeds 100mA per JESD 78, Class I

? X2-DFN1409-6 Package Designed as a Direct Replacement 

  for Chip Scale Packaging.

? Totally Lead-Free & Fully RoHS Compliant (Notes 1 & 2)

? Halogen and Antimony Free. “Green” Device (Note 3)

DESCRIPTION

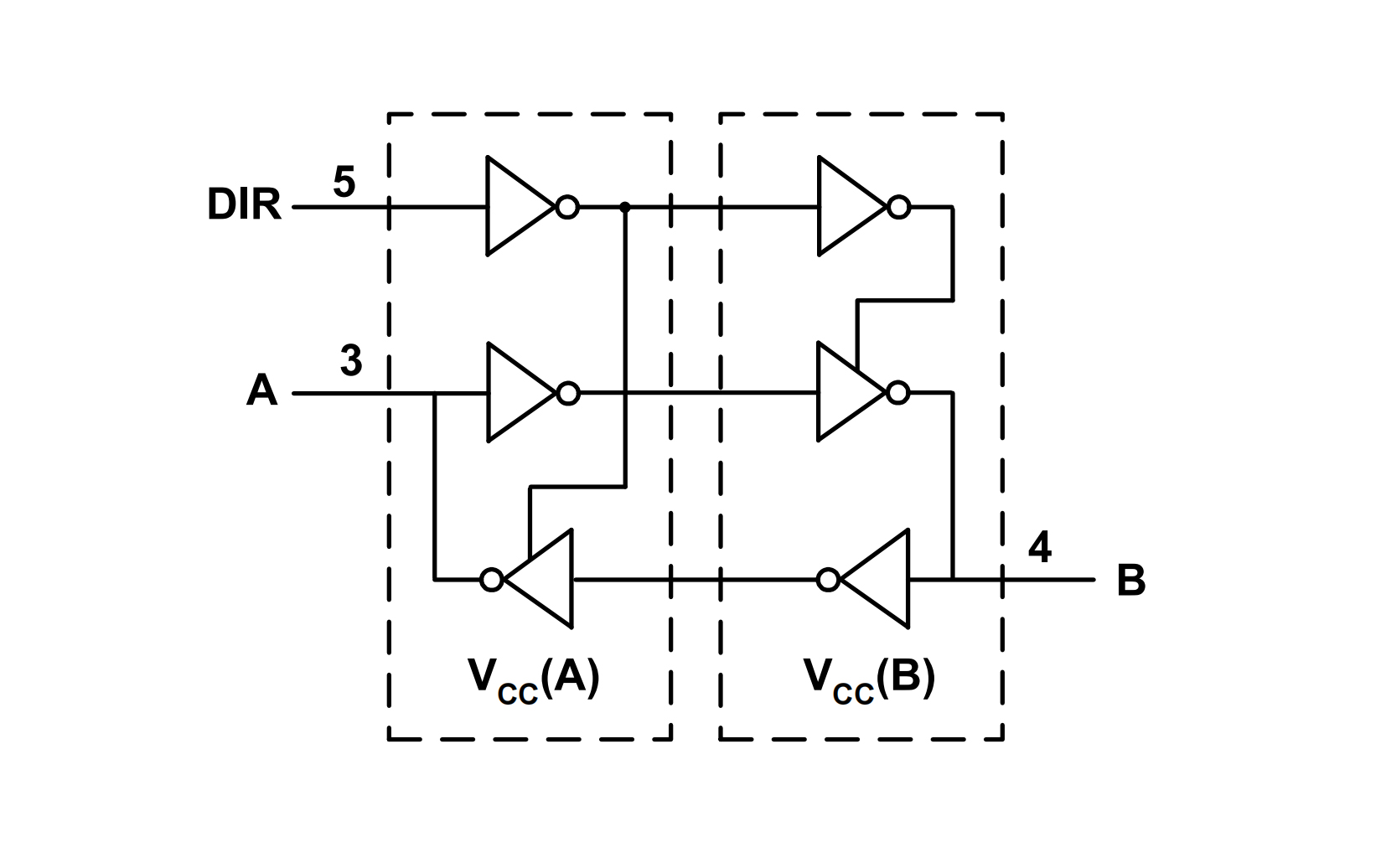
The 74LVC1T45 is a single-bit, dual-supply transceiver with tri-state outputs suitable for transmitting a single logic bit across different voltage domains. The A input/output pin is designed to track VCCA while the B input/output tracks VCCB. This arrangement allows for universal low-voltage translation between any voltages from 1.65V to 5.5V. The Direction pin (DIR) controls the direction of the transceiver and in a logic voltage related to VCCA. When a high logic level is applied to DIR, the A pin becomes an input, and the B pin becomes the output. Conversely, the roles of A and B are reversed when DIR is asserted low.

The tri-state feature occurs when either of the power supply voltages are zero. This is also an Ioff feature and allows for the output to remain in a high impedance state with both power supplies at 0V, which prevents and damages backflow currents and provides powerdown electrical isolation up to 5.5V as not to interfere with any logic activity on pin A or B.

APPLICATION CIRCUIT
PIN CONFIGUTION
网站地图