No.10959
? Low Power Consumption
? Low Dropout Voltage
? Low Temperature Coefficient
? High Input Voltage (up to 18V)
? Output Voltage Tolerance: ±3%
? Fixed Outputs of 1.5V, 1.8V, 2.5V, 2.8V, 3.0V, 3.3V, 3.6V and 5.0V
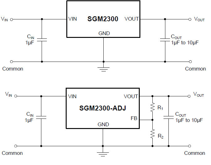
? Adjustable Output Voltages
? -40℃ to +85℃ Operating Temperature Range
? Available in Green SOT-23 and SOT-23-5 Packages
The SGM2300 series is a set of low power high voltage regulators implemented in CMOS technology. These devices allow input voltages as high as 18V. The SGM2300 series is available in several fixed and adjustable output voltages. CMOS technology ensures low dropout voltage and low quiescent current. Although designed primarily as fixed voltage regulators, these devices can be used with external components to obtain variable voltages and currents.
The SGM2300 series is available in Green SOT-23 and SOT-23-5 packages. It operates over an ambient temperature range of -40℃ to +85℃.









