Small Capacity Compact Battery Charger for Loosely Coupled Wireless Charging or Solar Charging
SGM40560
SGM40560.pdf
No.11030
FEATURES
● 完整过程独立工作单节电池充电
● 适用于磷酸铁锂电池/锂离子/聚合物锂离子/钛酸锂/镍氢二次电池和EDLC海量电容充电
● 3.65V至5.5V可选最大充电电压
● 高精度安全快速充电
● 4%输出电压回退供应保持
● 可配合松耦合线圈工作
● 可配合太阳能电池组工作
● 饱和导通充电
● 自动热限流
● 省电指示模式
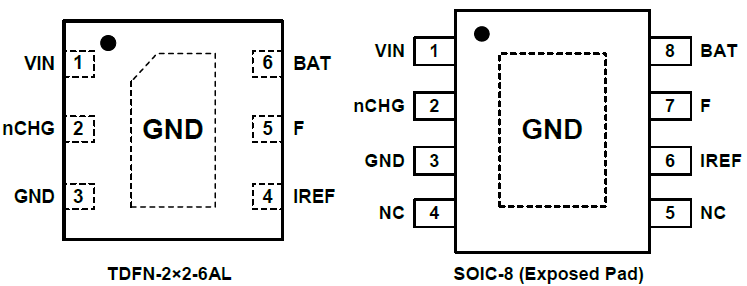
● TDFN-2×2-6AL和SOIC-8 (Exposed Pad)绿色封装
DESCRIPTION
SGM40560设计专门用于小容量锂离子/聚合物锂离子二次电池的精密线性恒流、恒压充电的单片电路。独立完成完整的预充、快充、涓流浮充、回退供应保持、阻性压降补偿和再充电过程。最大充电电压有以下五种可供选择:
SGM40560-3.65 对应3.65V/3.709V/4.547V
SGM40560-4.05 对应4.05V/4.108V/5.045V
SGM40560-4.2 对应4.2V/4.257V/5.235V
SGM40560-4.3 对应4.3V/4.357V/5.364V
SGM40560- 4.4 对应4.4V/4.466V/5.484V
充电电流利用外加电阻设置。缓慢闪烁指示充电中和限时持续发光指示充电充满都可利用微弱能源充电。除配合通常恒压电源工作外,其特性和控制结构可配合电压波动大的松耦合线圈和允许逆向电流的太阳能电池组工作。为可穿戴设备、微型便携装置提供灵活的供电选项。其回退供应保持设计和热限流设计,可安全稳定地长期利用外部电源直接对负载供电。
SGM40560采用TDFN-2×2-6AL和SOIC-8 (Exposed Pad)绿色封装,工作温度范围为-40℃至+125℃。
APPLICATION CIRCUIT
PIN CONFIGUTION









