No.11034
● Wide Operating Voltage Range: 1.8V to 5.0V
● High-Current 3-State Outputs Drive Bus Lines Directly
or Up to 15 LSTTL Loads
● Low Power Consumption, ICC: 13μA (MAX)
● Typical tPD = 8.9ns at 5.0V
● ±20mA Output Drive at 5.0V
● Low Input Current: ±8μA (MAX)
● Available in Green TSSOP-20, TQFN-5.5×3.5-24L and
TQFN-3×3-20L Packages
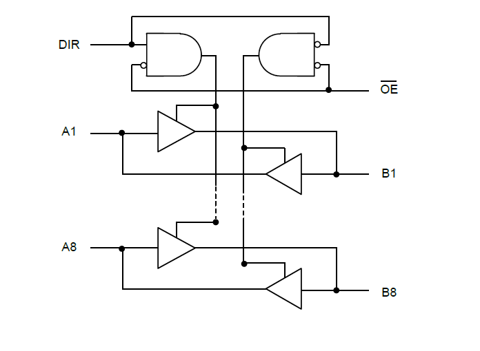
These octal bus transceivers are designed for asynchronous two-way communication between data buses. The control-function implementation minimizes external timing requirements.
The device allows data transmission from the A bus to the B bus or from the B bus to the A bus, depending on the logic level at the direction-control (DIR) input. The output-enable (OE) input can be used to disable the device so that the buses are effectively isolated.
The SGM7SZ245 is available in Green TSSOP-20, TQFN-5.5×3.5-24L and TQFN-3×3-20L packages. It operates over an ambient temperature range of -40℃ to +125℃.









