USB 2.0 High Speed, Dual SPDT
SGM7223 SGM7223.pdf

No.11125

FEATURES

 RON is Typically 4.5Ω at 3.0V

 Low Bit-to-Bit Skew: 50ps (TYP)

 Voltage Operation: 1.8V to 4.3V

 Fast Switching Times:

   tON 11ns

   tOFF 20ns

 Low Crosstalk: -33dB at 250MHz

 Power-Off Protection when V+ = 0V,

   D+/D- Pins can Tolerate up to 5.25V

 High Off-Isolation: -30dB at 250MHz

 Rail-to-Rail Input and Output Operation

 Break-Before-Make Switching

 Extended Industrial Temperature Range: -40℃ to +85℃

 Available in Green TQFN-2.1×1.6-10L Package

DESCRIPTION

The SGM7223 is a high-speed, low-power double-pole/ double-throw (DPDT) analog switch that operates from a single 1.8V to 4.3V power supply.

SGM7223 is designed for the switching of high-speed USB 2.0 signals in handset and consumer applications, such as cell phones, digital cameras, and notebooks with hubs or controllers with limited USB I/Os.

The SGM7223 has low bit-to-bit skew and high channel-to-channel noise isolation, and is compatible with various standards, such as high-speed USB 2.0 (480 Mbps). Each switch is bidirectional and offers little or no attenuation of the high-speed signals at the outputs. Its bandwidth is wide enough to pass high-speed USB 2.0 differential signals (480 Mb/s) with good signal integrity.

The SGM7223 contains special circuitry on the D+/D- pins which allows the device to withstand a VBUS short to D+ or D- when the USB devices are either powered off or powered on.

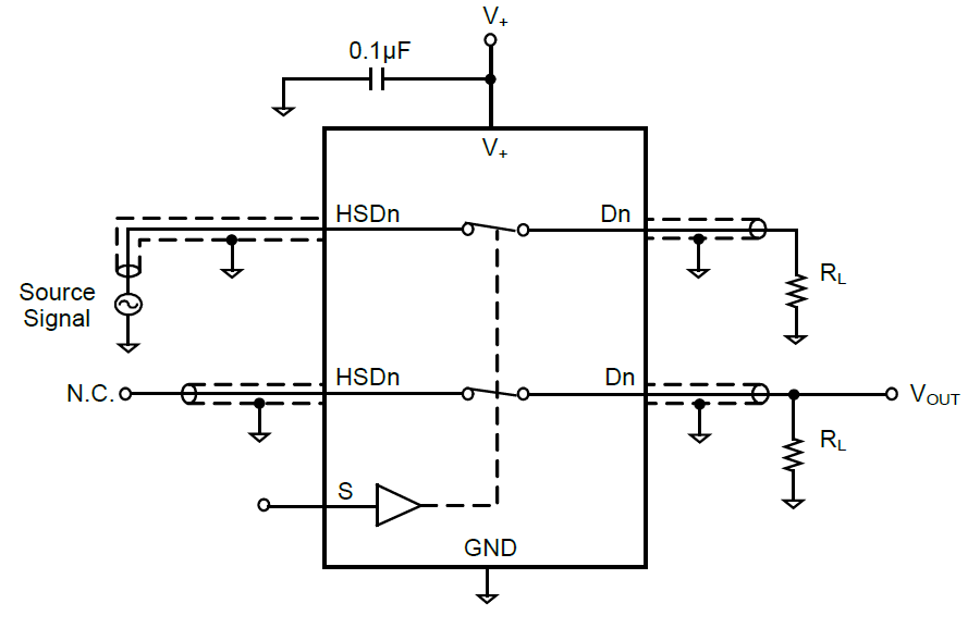
APPLICATION CIRCUIT
PIN CONFIGUTION
网站地图