No.11168
● Voltage Operation: 1.8V to 5.5V
● On-Resistance: 4.5Ω (TYP) at 5.0V
● Fast Switching Times
tON 20ns
tOFF 15ns
● High Bandwidth: 300MHz
● High Off-Isolation: -51dB at 10MHz
● Rail-to-Rail Operation
● TTL/CMOS Compatible
● Break-Before-Make Switching
● Extended Industrial Temperature Range: -40°C to 85°C
● Lead (Pb) Free SC70-6 Package
The SGM3157 is a single, bidirectional, single-pole/double-throw (SPDT) CMOS analog switch that is designed to operate from a single +1.8V to +5.5V supply. It features high-bandwidth (300MHz) and low on- resistance (4.5Ω TYP), Targeted applications for audio switching.
SGM3157 features guaranteed on-resistance matching (0.3Ω MAX) between switches and guaranteed on-resistance flatness over the signal range (2.3Ω TYP). This ensures excellent linearity and low distortion when switching audio signals.
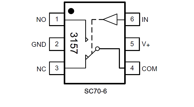
SGM3157 is available in a SC70-6 package.









