No.11234
● Reference Voltage Tolerance at +25℃:
SGM432: 1% (Standard Grade)
SGM432B: 0.5% (B Grade)
● Adjustable Output Voltage: VREF to 36V
● High Stability under Capacitive Load
● Typical Temperature Drift: 5mV
● Low Output Noise
● Typical Output Impedance: 0.1Ω
● Sink-Current Capability: 1mA to 100mA
● Operating Junction Temperature Range: -40℃ to +125℃
● Available in Green SOT-89-3, SOT-23 and SOT-23-5 Packages
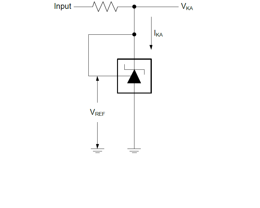
The SGM432x is a three-terminal adjustable shunt regulator, with specified thermal stability over applicable commercial, industrial and extended industrial temperature ranges. The output voltage can be set to any value between VREF (approximately 2.5V) and 36V, with two external resistors. The SGM432x has a typical output impedance of 0.1Ω. Active output circuitry provides a very sharp turn-on characteristic, making it an excellent replacement for Zener diodes in many applications, such as onboard regulation, adjustable power supplies and switching power supplies.
In addition, low output drift versus temperature ensures good stability over the entire temperature range.
The SGM432x is available in Green SOT-89-3, SOT-23 and SOT-23-5 packages.









