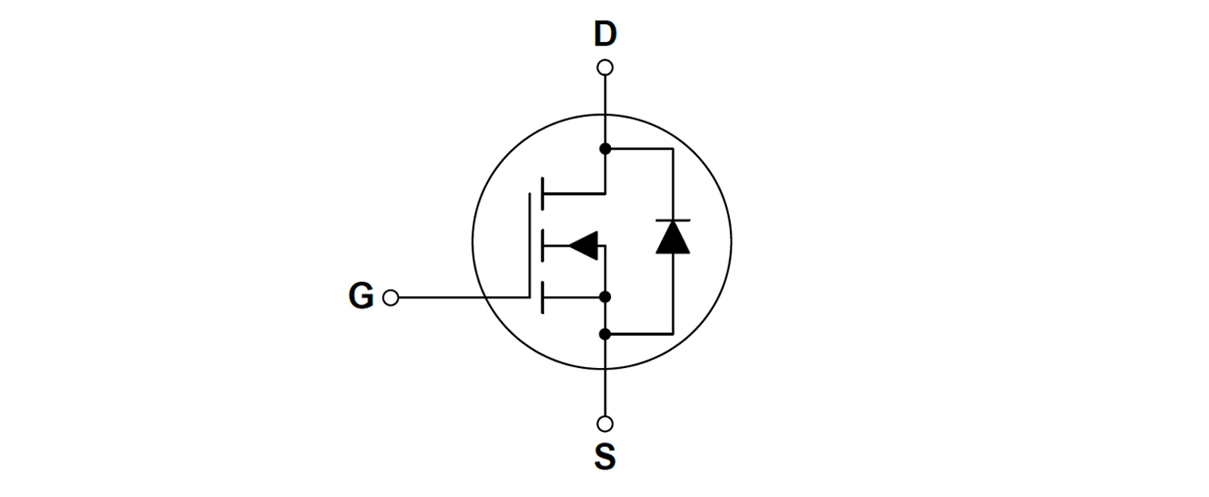
30V, Power, Single N-Channel, TDFN Package, MOSFET.
SGMNM12330
SGMNM12330.pdf
No.11730
FEATURES
? High Power and Current Handing Capability
? Low On-State Resistance
? Low Total Gate Charge and Capacitance Losses
? RoHS Compliant and Halogen Free
DESCRIPTION
The SGMNM12330 is a power MOSFET with low gate charge and a low on-state resistance. This feature makes it a good choice for load switches and PWM applications.
APPLICATION CIRCUIT
PIN CONFIGUTION









