No.13369
? 3V to 18V Operating Supply Voltage
? Three Integrated Half-Bridge Drivers
? High Output Current Capability
2A Continuous Current
6A Peak Current
? On-Resistance: 170m? (HS + LS) at +25℃
? ENx and PWMx Control Inputs
? Integrated Bidirectional Current Sense Amplifiers
? Built-in 3.3V, 50mA LDO Regulator
? Internal Charge Pump Supports 100% Duty Cycle
? Automatic Synchronous Rectification
? Integrated Protection Features
Under-Voltage Lockout (UVLO)
Over-Current Protection (OCP)
withAdjustable Threshold
Thermal Shutdown (TSD)
? Available in a Green TQFN-3×4-24L Package
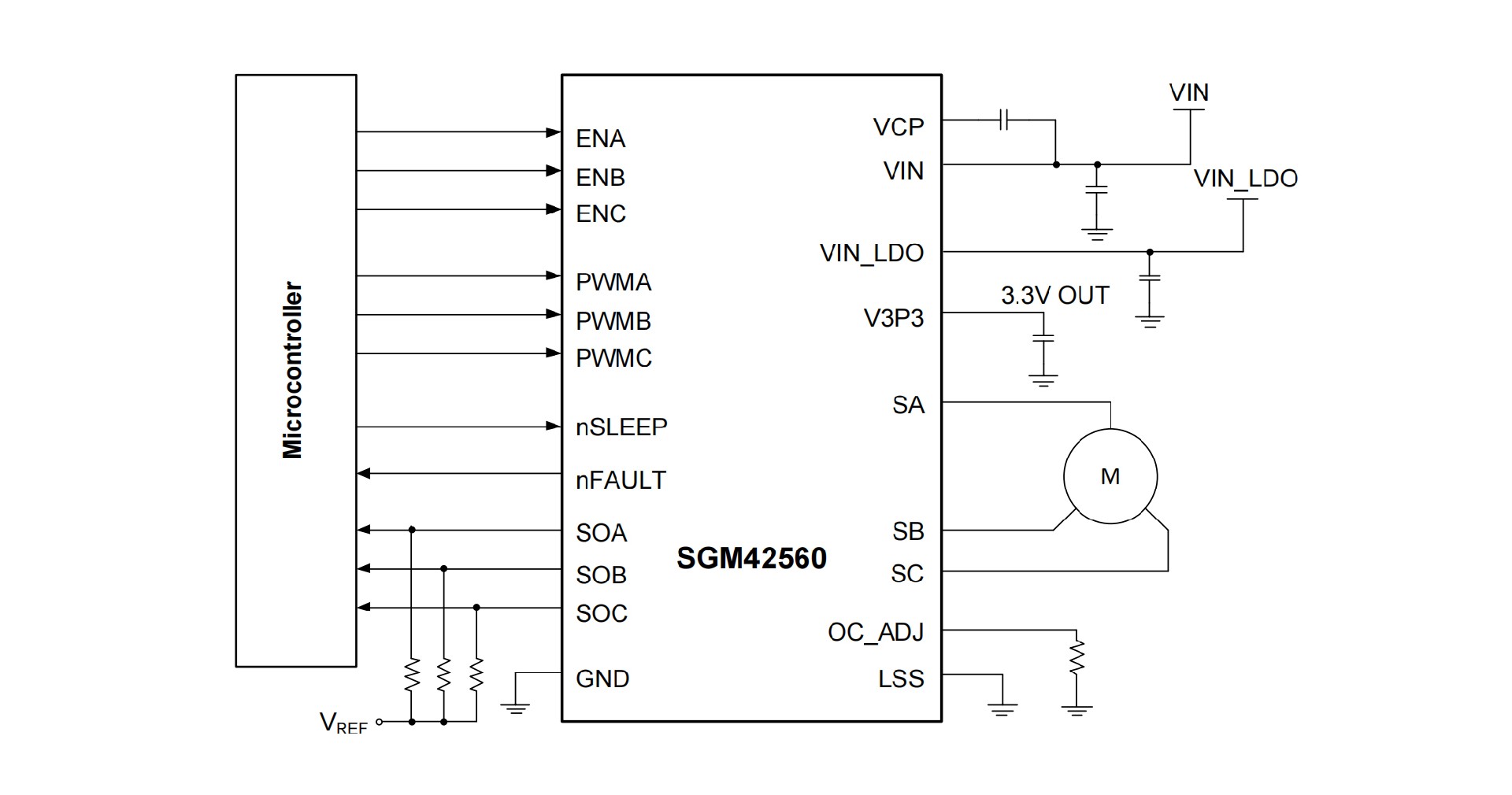
The SGM42560 provides three integrated half-bridge MOSFET drivers for driving a three-phase brushless DC (BLDC) motor. This device integrates three current sense amplifiers (CSA) for sensing the three phase currents of BLDC motor. The SGM42560 has ENx and PWMx control inputs for each half-bridge. It uses an internal charge pump to generate the gate drive supply voltage for the HS FETs, and a trickle charge circuit that maintains sufficient gate drive voltage to operate at 100% duty cycle.









