High Speed Operational Amplifier
SGM8651
SGM8651.pdf
No.10629
FEATURES
? Low Cost
? Rail-to-Rail Output 2mV Typical VOS
? Gain-Bandwidth Product: 50MHz
? High Slew Rate: 66V/?s
? Settling Time to 0.1% with 2V Step: 60ns
? Overload Recovery Time: 25ns
? Low Noise: 8.7nV/ Hz
? Operates on 2.5V to 5.5V Supplies
? Input Voltage Range = -0.2V to + 3.8V with VS = 5V
? 2.3mA/Amplifier Typical Supply Current
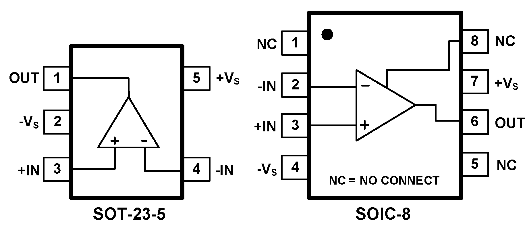
? SGM8651 Available in SOT-23-5 and SOIC-8
DESCRIPTION
The SGM8651/2/3/4/5 are high precision, low noise, low distortion, rail-to-rail output CMOS voltage feedback operational amplifiers offering ease of use and low cost. They have a wide input common-mode voltage range and output voltage swing, running at single-supply voltage from 2.5V to 5.5V. Despite being low cost, the SGM8651/2/3/4/5 provide excellent overall performance. They offer wide gainbandwidth product to 50MHz and a typical low power of 2.3mA/amplifier.
The SGM8651/2/3/4/5‘s low distortion and fast settling make them ideal for buffering high speed A/D or D/A converters.
APPLICATION CIRCUIT
PIN CONFIGUTION









