Micro Power Operational Amplifier
SGM8049-4
SGM8049-4.pdf
No.10632
FEATURES
? Low Noise: 3.5μVP-P (0.1Hz to 10Hz)
? Wide Supply Voltage Range: 1.8V to 5.5V
? Low Quiescent Current: 2.5μA/Amplifier (TYP)
? Low Offset Voltage: 0.85mV (MAX)
? DC Precision:
CMRR: 100dB
PSRR: 2.5μV/V
AOL: 118dB
? -40℃ to +125℃ Operating Temperature Range
? Small Packaging:
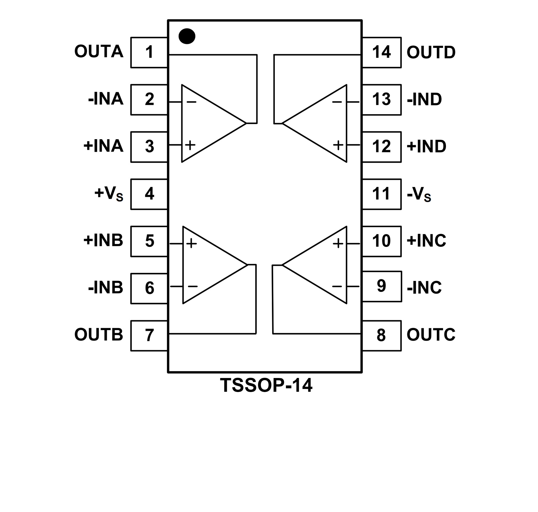
SGM8049-4 Available in Green TSSOP-14 Package
DESCRIPTION
The SGM8049-1, SGM8049-2 and SGM8049-4 micro power, low voltage operational amplifiers are designed for battery-powered applications. The amplifiers operate on a supply voltage as low as 1.8V (±0.9V). High-performance, single-supply operation with rail-to-rail capability makes the SGM8049-1/-2/-4 useful for a wide range of applications. In addition of small packages, the SGM8049-1/-2/-4 feature impressive bandwidth, low bias current and low noise relative to the very low quiescent current.
The quad SGM8049-4 is available in Green TSSOP-14 package. They are specified over the extended -40℃ to +125℃ temperature range.
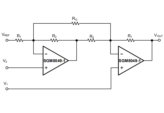
APPLICATION CIRCUIT
PIN CONFIGUTION









