No.10653
? 1μA Shutdown Current (12μA Quiescent Current)
? Wide 4.5V to 45V Operating Input Voltage Range
? Synchronously Rectified 1A??? Current Output.
? SGM61410: 1.2MHz Switching Frequency
? Compensation Inside
? Internal Soft-Start
? Output Adjustable from 0.8V to 20V
? Cycle-by-cycle current limit and Short-circuit protection
? Output OVP and Thermal Shutdown
? Available in Green SOT-23-6 Package
? -40℃ to +125℃ Operating Temperature Range
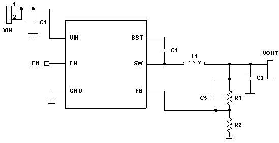
The SGM61410 is a high frequency Synchronously Rectified Buck Converter. It provides 1A current output with current mode control for fast loop response and compensation inside. The wide 4.5V to 45V input range accommodates a variety of step-down applications, including those in an automotive input environment. A 12μA shutdown mode quiescent current allows use in battery-powered applications. High power conversion efficiency over a wide load range is achieved by scaling down the switching frequency at light load condition to reduce the switching and gate drivinglosses.
The frequency fold-back helps prevent inductor current runaway during startup and thermal shutdown provides reliable, fault tolerant operation. By switching at 1.2MHz, the SGM61410 is able to prevent EMI (Electromagnetic Interference) noise problems, such as those found in AM radio ,ADSL and PLC applications.









