No.10717
? Low Cost
? Rail-to-Rail Output
? Input Offset Voltage: 8mV (MAX)
? High Speed:-3dB Bandwidth: 250MHz (G = +1)Slew Rate:
130V/μs Settling Time to 0.1% with 2V Step: 58ns
? Supply Voltage Range: 2.5V to 5.5V
? Input Voltage Range: -0.2V to 3.8V with VS = 5V
? Excellent Video Specs (RL = 150Ω, G = +2):0.1dB Gain Flatness:
37MHzDiff Gain: 0.03%, Diff Phase: 0.08°
? Low Supply Current: 2.3mA/Amplifier (TYP)
? -40℃ to +125℃ Operating Temperature Range
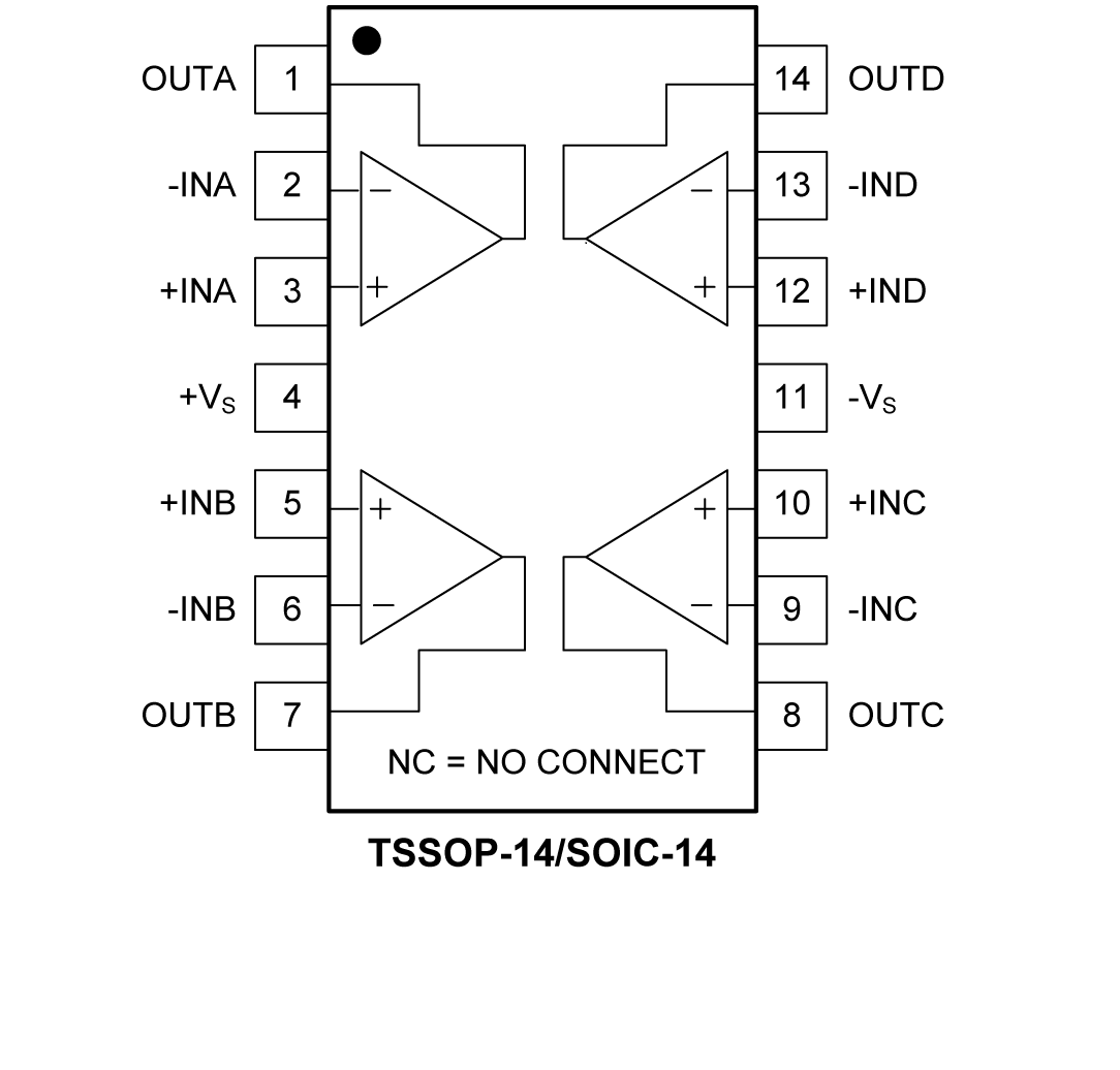
? Available in TSSOP-14 and SOIC-14 Packages
The SGM8051/3(single), SGM8052/5(dual), SGM8054 (quad) are rail-to-rail output voltage feedback amplifiers offering ease of use and low cost. They have bandwidth and slew rate typically found in current feedback amplifiers. All have a wide input common-mode voltage range and output voltage swing, making them easy to use on single supplies as low as 2.5V. Despite being low cost, the SGM8051 series provide excellent overall performance. They offer wide bandwidth to 250MHz (G = +1) along with 0.1dB flatness out to 37MHz (G = +2) and offer a typical low power of 2.3mA/amplifier.
The SGM8051 series is low distortion and fast settling make it ideal for buffering high speed A/D or D/A converters. The SGM8053/5 has a power-down disable feature that reduces the supply current to 75μA. These
features make the SGM8053/5 ideal for portable and battery-powered applications where size and power are critical. All are specified over the extended – 40℃ to+125℃ temperature range.









