No.10727
? Advanced SOI Process
? Broad Frequency Range: 0.1GHz to 3GHz
? Low Insertion Loss: 0.6dB (TYP) at 2.7GHz
? High Isolation: > 20dB at 2.7GHz
? GPIO Control Interface
? Compact 2mm × 2mm, 14-Pin, UTQFN Package
? No External DC Blocking Capacitors Required
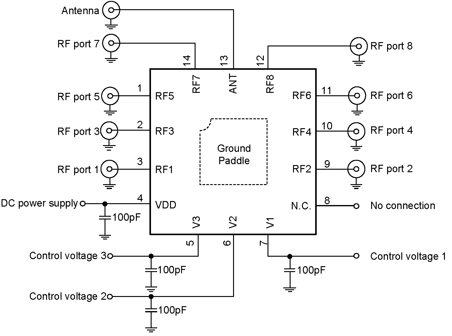
The SGM72008 is a low insertion loss, high isolation Single Pole Eight Throw (SP8T) antenna switch for diversity receiving application, supporting from 0.1GHz to 3GHz. High linearity performance makes it suitable for multi-mode multi-band LTE handsets, immune to cellular interferences. The SGM72008 integrates a GPIO controller and a SP8T RF switch on a single SOI chip. The GPIO controller provides internal decoder and driver for switch control signals, allowing flexibility in RF paths routing and band selection.
The SGM72008 is among diversity receiving switch family. This product is encapsulated in a compact 2mm × 2mm, 14-pin, UTQFN package, RoHS compliant and halogen free. When no external DC is applied, there is no need for external DC blocking capacitors, saving PCB area and cost.









