No.10832
? Fast, 45ns Propagation Delay (10mV Overdrive)
? Low Power Consumption: 155μA (TYP) at VS = 3V
? Wide Supply Voltage Range: 2.7V to 5V
? Optimized for 3V and 5V Applications
? Rail-to-Rail Input Voltage Range
? Low Offset Voltage: 1mV
? Internal Hysteresis for Clean Switching
? Output Swing 210mV with 4mA Output Current
? CMOS/TTL-Compatible Output
? -40℃ to +85℃ Operating Temperature Range
? Available in Green SOT-23-5 and SC70-5 Packages
The SGM8741 is a single high-speed comparator optimized for systems powered from a 3V or 5V supply. The device features high-speed response, low-power consumption, and rail-to-rail input range. Propagation delay is 45ns, while supply current is only 155μA per comparator.
The input common mode range of the SGM8741 extends beyond both power supply rails. The output pulls to within 0.1V of either supply rail without external pull-up circuitry, making the device ideal for interface with both CMOS and TTL logics. All input and output pins can tolerate a continuous short-circuit fault condition to either rail. Internal hysteresis ensures clean output switching, even with slow-moving input signals.
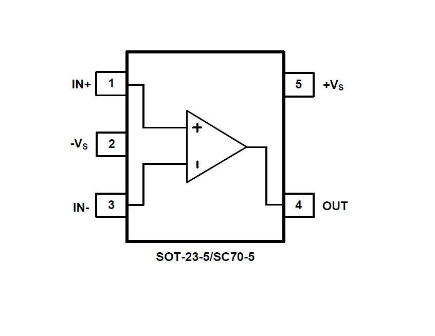
The SGM8741 is available in Green SOT-23-5 and SC70-5 packages. It is rated over the -40℃ to +85℃ temperature range.









