No.10911
? Monitor System Voltages from 1.6V to 5V
? Capacitor-Adjustable Reset Timeout Period
? Low Quiescent Current (3.3μA TYP)
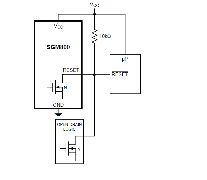
? Open-Drain RESET Output
? Guaranteed RESET Valid to VCC = 1V
? Immune to Short VCC Transients
? Available in Green SOT-23-5 Package
? SGM800 Pin Compatible with LP3470 and MAX6340
The SGM800 low-power micro-processor supervisor circuit monitors system voltages from 1.6V to 5V. This device performs a single function: it asserts a reset signal whenever the VCC supply voltage falls below its reset threshold. The reset output remains asserted for the reset timeout period after VCC rises above the reset threshold. The reset timeout is externally set by a capacitor to provide more flexibility.
The SGM800 has an active-low, open-drain reset output. It is available in Green SOT-23-5 package and is specified over an ambient temperature range of -40℃ to +85℃.









