300MHz, Small Package, Quad SPDT
SGM44600 SGM44600.pdf

No.11151

FEATURES

 Low Voltage Operation : 1.8V to 5.5V

 Low On-Resistance: 4Ω (TYP)

 Low On-Resistance Flatness

 -3dB Bandwidth: 300MHz

 High Off-Isolation: -75dB at 1MHz

 Low Crosstalk: -100dB at 1MHz

 Rail-to-Rail Input and Output Operation

 Typical Power Consumption (<0.01μW)

 TTL/CMOS Compatible

 Lead (Pb) Free TQFN-16 (3mm × 3mm) Package

 Extended Industrial Temperature Range: -40°C to +85°C

DESCRIPTION

The SGM44600 is a dual, high-speed, low-voltage, double-pole/double-throw (DPDT) CMOS analog switch that is designed to operate from a single 1.8V to 5.5V power supply. It features high-bandwidth (300MHz) and low ON-resistance (4Ω TYP), targeted applications for audio switching.

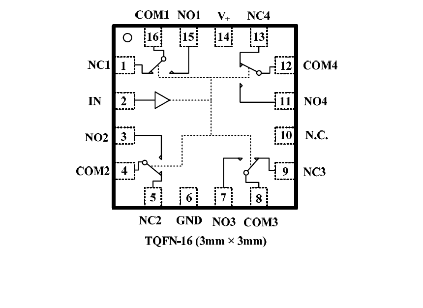
The SGM44600 consists of four SPDT switches. The configuration can be used as a bidirectional quad 2-channel multiplexer/demultiplexer with a single switch-enable (IN) input.

SGM44600 can handle rail-to-rail analog signals and is available in Pb-free TQFN-16(3mm × 3mm) package.

APPLICATION CIRCUIT
PIN CONFIGUTION
网站地图