No.11693
? Two Independent Gate Drive Channels
? 5A Source and 5A Sink Peak Currents
? Wide Supply Voltage Range: 4.5V to 18V
? TTL and CMOS Compatible Logic Threshold
? Logic Levels Independent of Supply Voltage
? Hysteretic Input Logic for High Noise Immunity
? Outputs Held Low When Inputs are Floating
? Fast Propagation Delays: 18ns (TYP)
? Fast Rise Time: 7ns (TYP)
? Fast Fall Time: 7ns (TYP)
? Ringing Suppression
? Negative Voltage Capability on INx Pins:
-10V when (VDD - VINX) ≤ 20V
? Negative Voltage Capability on ENx Pins:
-10V when (VDD - VENX) ≤ 20V
? Negative Voltage Capability on OUTx Pin:
-2V (Pulse < 200ns)
? Comprehensive Protection Features
Thermal Shutdown Protection
Under-Voltage Lockout
Short-Circuit Protection
? -40℃ to +125℃ Operating Temperature Range
? Available in Green SOIC-8, MSOP-8 (Exposed
Pad) and TDFN-3×3-8L Packages
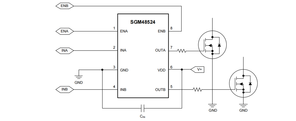
The SGM48524 is a dual high-speed low-side gate driver for power switches. It has rail-to-rail driving capability and can sink or source up to 5A peak current with capacitive loads. The propagation delays are very short and well matched between the two channels that make the device well suited for applications that need accurate dual gate driving such as synchronous rectifiers. The matched propagation delays also allow for paralleling the two channels when higher driving current is required (such as for paralleled switches). The input voltage thresholds are fixed, independent of supply voltage (VDD), and compatible with low voltage TTL and CMOS logic. Noise immunity is excellent due to the wide hysteresis window between the input low and high thresholds. The device has internal pull-up/pull-down resistors on the input pins to ensure low state on the driver output when the input is floating.
The SGM48524 is available in Green SOIC-8, TDFN-3×3-8L and MSOP-8 (Exposed Pad) packages.









