No.11126
● RON is Typically 4.5Ω at 3.0V
● Low Bit-to-Bit Skew: 50ps (TYP)
● Voltage Operation: 1.8V to 4.3V
● Fast Switching Times:
tON 10ns
tOFF 22ns
● Low Crosstalk: -41dB at 250MHz
● Power-Off Protection when V+ = 0V,
D+/D- Pins can Tolerate up to 5.25V
● High Off-Isolation: -35dB at 250MHz
● Rail-to-Rail Input and Output Operation
● Break-Before-Make Switching
● Extended Industrial Temperature Range: -40℃ to +85℃
● Small Packages: MSOP-10, TQFN-1.8×1.4-10L and
UTQFN-1.8×1.4-10L
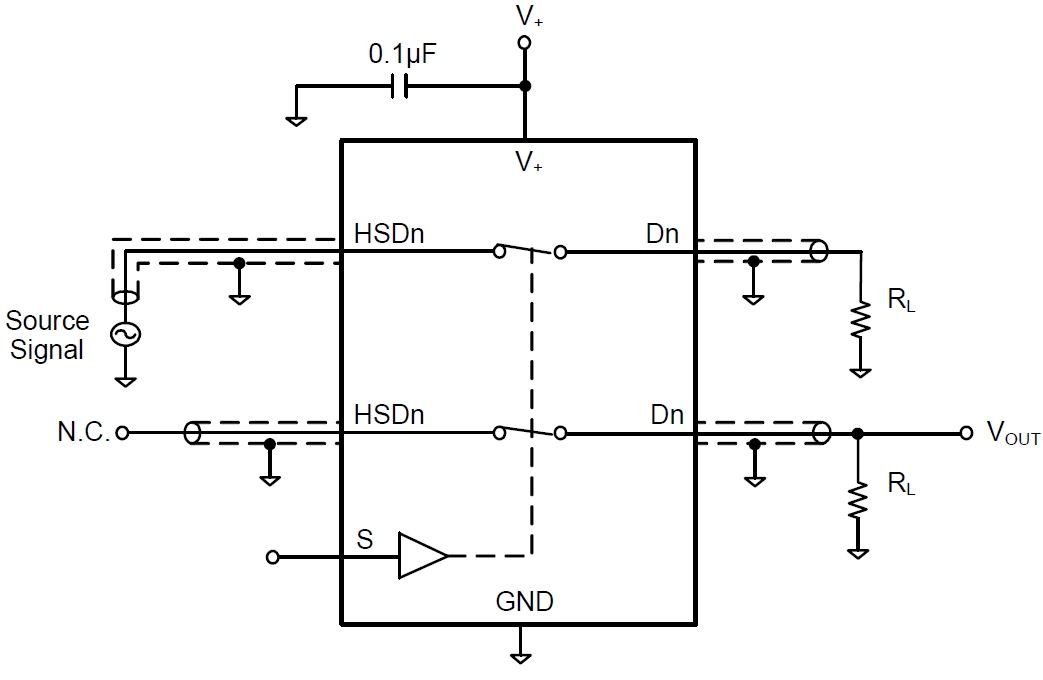
The SGM7222 is a high-speed, low-power double-pole/double-throw (DPDT) analog switch that operates from asingle 1.8V to 4.3V power supply.
SGM7222 is designed for the switching of high-speed USB 2.0 signals in handset and consumer applications,such as cell phones, digital cameras, and notebooks with hubs or controllers with limited USB I/Os.
The SGM7222 has low bit-to-bit skew and high channel-to-channel noise isolation, and is compatible with various standards, such as high-speed USB 2.0 (480 Mbps). Each switch is bidirectional and offers little or no attenuation of the high-speed signals at the outputs. Its bandwidth is wide enough to pass high-speed USB 2.0 differential signals (480 Mb/s) with good signal integrity.
The SGM7222 contains special circuitry on the D+/Dpins which allows the device to withstand a VBUS short to D+ or D- when the USB devices are either powered off or powered on.









