11MHz, 8.5V/μs, Low Noise, Single Amp with Shutdown, RRIO
SGM723 SGM723.pdf

No.11306

FEATURES

● Rail-to-Rail Input and Output

● Input Offset Voltage: 4mV (MAX)

● High Gain-Bandwidth Product: 11MHz

● High Slew Rate: 8.5V/μs

● Settling Time to 0.1% with 2V Step: 0.21μs

● Overload Recovery Time: 0.6μs

● Low Noise: 8.5nV/√Hz at 10kHz

● Supply Voltage Range: 2.1V to 5.5V

● Input Voltage Range: -0.1V to 5.6V with VS = 5.5V

● Low Power:

   SGM721/3: 1.2mA (TYP)

   SGM723 Less than 1μA when Disabled

● -40℃ to +125℃ Operating Temperature Range

DESCRIPTION

The SGM721 (single), SGM722 (dual), SGM723 (single with shutdown) and SGM724 (quad) are low noise, low voltage and low power operational amplifiers, that can be designed into a wide range of applications. The SGM721/2/3/4 have a high gain-bandwidth product of 11MHz and a slew rate of 8.5V/μs. The SGM723 has a power-down disable feature that reduces the supply current to less than 1μA.

The SGM721/2/3/4 are designed to provide optimal performance in low voltage and low noise systems. They provide rail-to-rail output swing into heavy loads. The input common mode voltage range includes ground, and the maximum input offset voltage is 4mV for SGM721/2/3/4. They are specified over the extended industrial temperature range (-40℃ to +125℃). The operating supply range is from 2.1V to 5.5V.

APPLICATION CIRCUIT
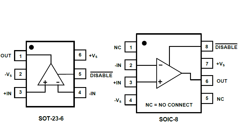
PIN CONFIGUTION
网站地图